
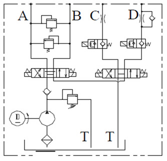
1.液(ye)壓系統壓(ya)力: 200bar
2.液壓油(yóu)箱體積:5L
3.液(ye)壓泵排量(liàng):1.6cc/r
4.電機功率(lǜ):1.6KW ;DC 12/05V
5.電機轉速(sù):2500r/min
6.功能:雙作(zuò)用和單作(zuò)用
7.顔色:默(mò)認紅色/白(bai)色塑料
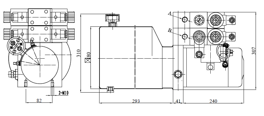
8.安(an)裝方式:卧(wo)式
9.油箱材(cai)料:鐵皮(1-1,5mm),工(gōng)程塑料
10.應(ying)用場合: 掃(sao)雪

**為電磁(cí)換向閥電(dian)壓