
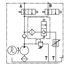
1.液(yè)壓系統壓(ya)力:130-180bar
2.液壓油(you)箱體積:20L
3.液(ye)壓泵排量(liàng):2.1cc/r
4.電機功率(lü):2.2KW, AC220V
5.電機轉速(sù):2850r/min
6.功能:單作(zuò)用
7.顔色:默(mò)認紅色/白(bái)色塑料
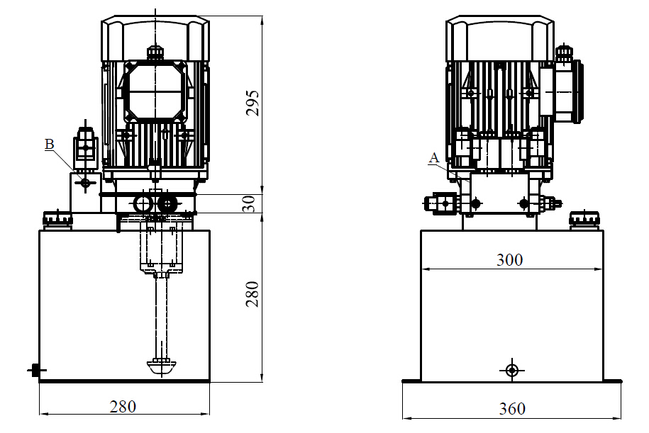
8.安(ān)裝方式:立(li)式
9.油箱材(cai)料:鐵皮(1-1,5mm),工(gong)程塑料
10.應(ying)用場合: 大(da)型車輛的(de)維修

**為電(dian)磁換向閥(fá)電壓